轴承的种类有很多,其中有种是推力球轴承,推力球轴可用于承重机吊钩、立式水泵、立式离心机、千斤顶、低速减速器等。推力球轴承采用高速运转时可承受推力载荷的设计,由带有球滚动的滚道沟的垫圈状套圈构成。那么对于推力球轴承你们了解多少呢?推力球轴承的安装关键点,推力球轴承安装方法你们知道吗?下面起来看下吧。
先我们先来了解下什么是推力球轴承。
、什么是推力球轴承
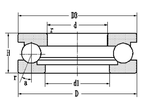
推力球轴承是种分离型轴承,轴圈、座圈可以和保持架、钢球的组件分离。轴圈是与轴相配合的套圈,座圈是与轴承座孔相配合的套圈,和轴之间有间隙;推力球轴承只能够承受轴向负荷, 单向推力球轴承是只能承受个方向的轴向负荷, 双向推力球轴承可以承受两个方向的轴向负荷; 推力球轴承不能限制轴的径向位移,限转速很低, 单向推力球轴承可以限制轴和壳体的个方向的轴向位移, 双向轴承可以限制两个方向的轴向位移。
以上就是推力球轴承的介绍,在了解了推力球轴承的含义之后,接下来给大家介绍如何正确的安装推力轴承以及要注意的事项有哪些?

二、推力球轴承安装方法
推力球轴承与轴的配合般为过渡配合,座圈与轴承座孔的配合般为间隙配合,双向推力球轴承的中轴圈应在轴上固定,以防止相对于轴转动。推力球轴承的安装方法,般情况下是轴旋转的情况居多,因此内圈与轴的配合为过赢配合,轴承外圈与轴承室的配合为间隙配合。
安装推力球轴承时,应检验轴圈和轴中心线的垂直度。方法是将千分表固定于箱壳面,使表的触头顶在轴承轴圈滚道上边转动轴承,边观察千分表指针,若指针偏摆,说明轴圈和轴中心线不垂直。箱壳孔较深时,亦可用加长的千分表头检验。推力球轴承安装正确时,其座圈能自动适应滚动体的滚动,确保滚动体位于上下圈滚道。如果装反了,不仅轴承工作不正常,且各配合面会遭到严重磨损。由于轴圈与座圈和区别不很明显,装配中应格外小心,切勿搞错。此外,推力球轴承的座圈与轴承座孔之间还应留有0.2—0.5mm的间隙,用以补偿零件加工、安装不准确造成的误差,当运转中轴承套圈中心偏移时,此间隙可确保其自动调整,避免碰触摩擦,使其正常运转。否则,将引起轴承剧烈损伤。
平面推力球轴承在装配体中主要承受轴向载荷,其应用广泛。虽然推力球轴承安装操作比较简单,但实际维修时仍常有错误发生,即轴承的紧环和松环安装位置不正确,结果使轴承失去作用,轴颈很快地被磨损。紧环内圈与轴颈为过渡配合,当轴转动时带动紧环,并与静止件面发生摩擦,在受到轴向作用力(Fx)时,将出现摩擦力矩大于内径配合阻力矩,导致紧环与轴配合面强制转动,加剧轴颈磨损。
因此,推力球轴承安装时应注意以下几点。
三、推力球轴承安装注意事项
1、分清轴承的紧环和松环(根据轴承内径大小判断,孔径相差0.1~0.5mm)。
2、分清机构的静止件(即不发生运动的部件,主要是指装配体)。
3、无论什么情况,轴承的松环始终应靠在静止件的面上。
本文就详细的为大家介绍了关于推力球轴承的安装方面的些介绍。希望通过本文介绍可以给大家带来帮助。大家在安装过程中定要正确安装,避免造成推力球轴承的损坏。
15637959300
全国统一咨询电话
在线咨询地址:河南省 洛阳市 宜阳轴承产业园区
固话:0379-65216522
销售:anan@lmc.cn / ly8536@lmc.cn
供应:ly95999@lmc.cn
技术:ly2885@lmc.cn